Load Shackles with Wireless Output
Telemetry Shackle Load Cell TS-3.0 6.5 – 500 tonnes
The DLM Telemetry Shackle is a high strength marine grade wireless Load Cell. Manufactured from industry leading Crosby and GN shackles along with a stainless steel load pin, the DLM Telemetry Shackle offers reduction in weighing headroom with the flexibility of 2.4GHz licencefree wireless load transmission.
The DLM Telemetry Shackle can be used with one or multiple TW-3.0-T Handheld Displays showing the Load.
Features:
- Rugged design
- Ability to transmit to multiple hand held displays
- 2.4Ghz licence free frequency
- 800m range line of sight
- Stainless steel construction
- Low headroom when rigged
- Supplied with load centering bobbin
- Remote power on/off feature
- Sleep mode for battery conservation
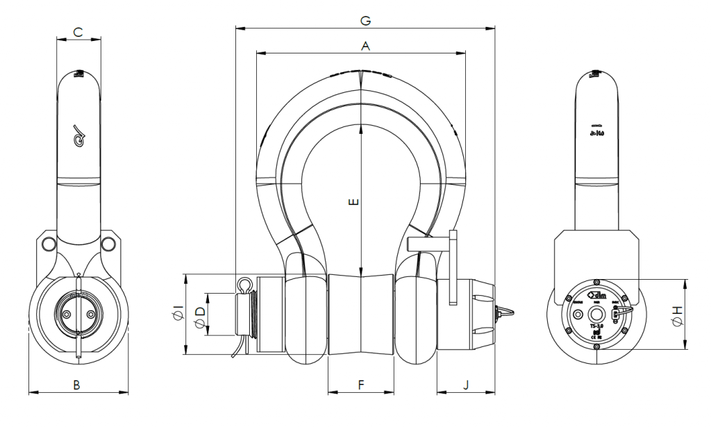
Dimensional Data
| Load Capacity (tonnes) | Part Number> | Shackles | Dimensions (mm) | Proof Load (%) | Accuracy % | Resolution (kg) | ||||||||
| A | B | C | D | E | F | G | H | I | ||||||
| 6.5 | 0001 – 1350 | G2130 | 102 | 75 | 22 | 22 | 72 | 36.6 | 175 | 75 | 53 | 200 | <±1 | 1 |
| 12 | 0001 – 1351 | G2130 | 146 | 76 | 33 | 28 | 108 | 51.5 | 212 | 75 | 60 | 200 | <±1 | 2 |
| 25 | 0001 – 1352 | G2130 | 224 | 106 | 47 | 45 | 163 | 73 | 277 | 75 | 86 | 200 | <±1 | 5 |
| 55 | 0001 – 1353 | GN H9 | 324 | 148 | 66 | 60 | 249 | 105 | 361 | 110 | 114 | 150 | ±1 | 10 |
| 85 | 0001 – 1354 | GN H10 | 340 | 765 | 75 | 68 | 311 | 127 | 409 | 110 | 130 | 150 | ±1 | 10 |
| 120 | 0001 – 1355 | GN H10 | 416 | 200 | 89 | 80 | 358 | 133 | 460 | 110 | 150 | 150 | ±1 | 50 |
| 200 | 0001 – 1356 | GN H10 | 530 | 260 | 120 | 90 | 448 | 180 | 562 | 110 | 235 | 150 | ±1 | 100 |
| 300 | 0001 – 1357 | GN H10 | 565 | 305 | 130 | 120 | 541 | 205 | 612 | 110 | 287 | 150 | ±1 | 100 |
| 400 | 0001 – 1358 | GN H10 | 655 | 350 | 165 | 120 | 603 | 230 | 707 | 110 | 345 | 150 | ±1 | 100 |
| 500 |
0001 – 1359 | GN H10 | 710 | 370 | 180 | 160 | 623 | 255 | 740 | 110 | 375 | 150 | ±1 | 100 |
| Specifications | |
| Pin material | 17-4PH H1150+1150 Stainless steel |
| Bridge resistance | 350Ω – 1000Ω |
| Operating temperature | -20°C to +60°C |
| Display | TW-3.0 Telemetry Hand Held Display |
| Transmission frequency | 2.4GHz |
| Range | Up to 800m line of sight in ambient conditions |
| Battery type | Internal 3.7V Rechargeable Li-Po Battery |
| Battery life | 350 hours continuous use (2 years non-operational) |
| Battery Charger | Supplied with USB Charger |
| Protection | IP67 |
| Calibration | Supplied with calibration and proof load certificates to BS EN 10002/2 1992 |
| Packaging | Wooden stowage case |







