Cette épissure est fabriquée en formant une boucle, puis en compressant un manchon en aluminium sur les deux parties du câble. La résistance dépend entièrement de l’intégrité du manchon embouti.

Unirope fabrique ses épissures conformément aux exigences de la norme européenne EN 13411, à partir de manchons et de matrices dont les caractéristiques sont conformes à cette norme.

 

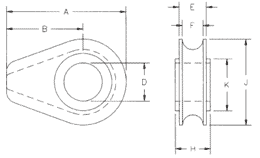
With Crosby Cast Solid Thimble and EN 13411-3 Aluminum Sleeve. Thimbles to DIN 3091.

Solid Thimbles are used where the sling (or rope) is connected to a straight pin. This makes an excellent permanent installation. Within certain limitations we can increase or bush the bore hole, or we can mill down dimension ‘H’ to fit a narrower slot. These thimbles are mainly used on crane ropes.

 

Cette méthode est employée pour les élingues à 8, 9 et 10 brins, pour les élingues non rotatives (19 x 7, 19 x 19, 24 x 7, 34 x 7) et pour les élingues Tri-Flexᴹᴰ et Gator-Flexᴹᴰ commandées avec des cosses aux extrémités.

 

 

 

 

 

Dimensions (pouce) pour cosses pleine avec Crosby S 412
Dia. câble métallique A B D E F H J K LB chaque
1/2 2.81 1.75 1.06 0.75 0.56 0.88 2.13 1.63 0.61
5/8 4.69 3.00 1.31 1.06 0.81 1.13 3.38 2.25 2.21
3/4 4.69 3.00 1.50 1.06 0.81 1.38 3.38 2.25 2.32
7/8 6.06 3.81 1.75 1.38 1.06 1.63 4.50 3.25 5.45
1 6.06 3.81 2.13 1.38 1.06 1.81 4.50 3.25 5.25
1-1/8 7.25 4.56 2.38 1.75 1.31 2.06 5.38 3.88 9.29
1-1/4 7.25 4.56 2.63 1.94 1.53 2.31 5.38 3.88 9.81
1-3/8 7.25 4.56 2.63 1.94 1.53 2.31 5.38 3.88 9.81

For other dimensions please refer to our catalogue "Wire Rope Lifting Slings" page 44. Solid thimble bores can be bushed or bored out. The width can be milled down. Please ask for our specific advise.

Avec cosse pleine DIN 3091 et à manchon en aluminium à EN 13411-3.